Bồn cầu một khối Caesar C1352
Bồn cầu Caesar được làm bằng sứ, thiết kế tinh xảo dành cho trẻ em , kiểu dáng sang trọng phù hợp cho mọi gia đình.
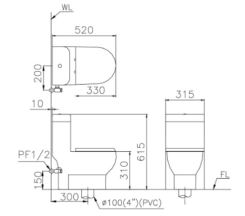
Quy cách bồn cầu một khối Caesar C1352
Thông tin chung
- Thương hiệu: Caesar
- Công nghệ: Đài Loan
- Màu sắc: Màu trắng
- Dung lượng nước: 4.5 lít
- Hệ thống xả: Xả hút kết hợp tia đẩy
- Phương pháp thi công: kiểu thô
- Tâm thoát phân: 300mm
- Kích thước: 515x320x615mm
- Nắp bồn cầu có thể thay thế: mã nắp M284
Kích thước bồn cầu Caesar CD1353
Bản vẽ kỹ thuật bồn cầu một khối Caesar C1352
Quý khách có thể xem các sản phẩm bồn cầu một khối Caesar khác
CHÚNG TÔI CAM KẾT
Là hệ thống phân phối Hàng chính hãng 100%, rộng khắp các khu vực toàn Miền Nam
Đảm bảo mọi quyền lợi cho khách hàng trong suốt quá trình sử dụng sản phẩm
Giao hàng Miễn Phí Toàn Quốc, đầy đủ thông tin, giá rẻ đúng chất lượng
Đặt hàng giá khuyến mãi gọi ngay
Hotline: 0906 273 352 hoặc 08 66 835 368

Xem thêm